重庆东起机械有限公司

新闻中心
产品分类

联系方式
  • 联系人:蔡计云
  • 电话:13983294846
  • 邮件:840752328@qq.com
  • 手机:13983294846
  • 传真:023-68692611
  • 联系我时,请告知来自全球起重机械网,将会给你95折优惠,谢谢!
站内搜索
 
友情链接
  • 暂无链接!
会员推荐
您当前的位置:首页 » 供应产品 » 奉节县单梁起重机 奉节县单梁行车、
奉节县单梁起重机 奉节县单梁行车、
点击图片查看原图
产品: 浏览次数:295奉节县单梁起重机 奉节县单梁行车、 
单价: 15000.00元/台
最小起订量: 1 台
供货总量: 999 台
发货期限: 自买家付款之日起 3 天内发货
有效期至: 长期有效
最后更新: 2020-04-14 11:12
  询价
详细信息
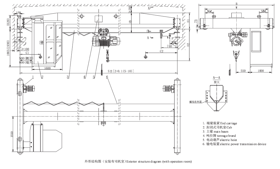
 奉节县行车、奉节县天车、奉节县单梁桥式起重机 
产品名称:LD单梁起重机

所属类别:单梁起重机→LD单梁起重机

产品介绍:

  LD单梁起重机桥架的主梁多采用工字型钢或钢型与钢板的组合截面。起重小车常为手拉葫芦、电动葫芦或用葫芦作为起升机构部件装配而成。单梁桥式起重机广泛应用于机械制造车间、冶金车间、石油、石化、港口、铁路、民航、电站、造纸、建材、电子等行业的车间、仓库、料场等。具有外形尺寸紧凑、建筑净空高度低、自重轻、轮压小等优点。

D型电动单梁起重机是在“LD”的基础上进行改进设计的,较“LD型”具有结构合理,整机刚性强的特点。整机与CD型、MD型电动葫芦配套使用,是一种轻小型的起重机械。
    其起重量为1t-10t。跨度为7.5-22.5m,   工作级别为A3-A5,工作环境温度为-25度-40度。本产品广泛用于工厂、仓库、料场等不同场合吊运货物,禁止在易燃、易爆、腐蚀性介质环境中使用。本产品设有地面和操纵室两种操作形式。操纵室有开式、闭式两种,可根据实际情况分为左或右两种形式,入门方向有侧面及端面两种,以满足用户在各种不同需要的情况下进行选择。

产品特点:


电动葫芦小车在主梁下翼缘运行,电动葫芦布置在主梁下方的桥式起重机。经过LD型的改进,形成了一种叫LDA型(JB/T1306)的电动单梁起重机。另外还有不常见的电动单梁起重机的另外2种型号:LDP型电动单梁起重机(偏挂式)和LDC型电动单梁起重机(欧式)。

产品参数:


提升

高度

工作制度 电流

种类  

大车运行机构

配套电
动葫芦

吊车

总长

主    要    尺    寸 总    重 最 大 轮 压
运行速度 电动机 h H L1 L2 K B Total weight Max. Wheel Loading
        地面操纵 操纵室操纵 型号 功率 型号 起升速度


  1t 2
t
3
t
5
t
1
0
t
1
t
2
t
3
t
5
t
1
0
t
1
t
2
t
3
t
5
t
1
0
t
1
t
2
t
3
t
5
t
1
0
t
1
-
5
t
1
0
t
1
-
5
t
1
0
t
1t 2t 3t 5t 10t 1t 2t 3t 5t 10t
m m     m/min   kw   m/
min
  m t KN
7.5  

 

6

9

12

18

24

30

 

A5 3
8
0
V

5
0
H
z




 

30

 

20

 

30

 

45

 

ZD
Y
21
-4

 

 

 

 

ZDR
12
-4

 
2 0.8

 

1.5

MDI

 

 

 

 

CDI

8
/
0
.
8

7
/
0
.
7

 

 

8

7

2
0
跨度span

S+2×

130

810 1
0
0
0
1
1
5
0
1
3
8
0
1
4
6
0
4
9
0
4
9
0
5
3
0
5
8
0
8
3
0
7
9
6
8
7
1
.
5
8
1
8
.
5
8
4
1
.
5
1
2
3
5
1
2
7
4
1
2
9
2
.
5
1
2
9
1
1
3
1
0
1
9
3
5
2
0
0
0
2
0
0
0
2
5
0
0
2
5
0
0
2.26 2.4 2.51 2.8 4.3 13.8 19.4 24.5 35.8 67
8
2.3 2.5 2.6 2.9 4.4 13.9 19.5 24.6 35.9 67
8.5
2.4 2.5 2.62 2.9 4.5 14.0 19.6 24.8 36.0 67
9
2.6 2.7 2.98 4.62 4.6 14.2 19.8 24.9 36.2 69
9.5
2.5 2.6 2.73 3.05 4.7 14.3 19.9 25.0 36.3 69
10
2.51 2.64 2.8 3.1 4.8 14.4 20.0 25.2 36.5 70
10.5
2.6 2.75 2.9 3.2 5.0 14.5 20.1 25.3 36.6 70
11
1
4
9
5
8
7
5
2.0 2.7 2.84 3.2 5.1 14.6 20.2 25.4 36.7 71
11.5
1
0
5
0
1
4
0
0
5
8
0
6
6
0
2.04 2.87 3 3.7 5.2 14.7 20.5 25.6 36.8 73
12
2.1 2.93 3.1 3.8 5.3 14.8 20.6 25.8 38 73
12.5
2
5
0
0
2
5
0
0
3
0
0
0
3
0
0
0
2.8 3.0 3.2 3.9 5.4 15.1 20.9 26.1 38.3 73
13
2.86 3.1 3.2 3.97 5.5 15.3 21.1 26.2 38.5 73
13.5
2.9 3.1 3.3 4 5.6 15.4 21.2 26.4 38.7 73
14
1
5
0
5
8
8
5
3 3.2 3.3 4.1 5.7 15.5 21.3 26.5 38.9 74
14.5
860 1
0
6
0
1
1
7
0
1
4
1
5
5
8
0
6
6
0
7
8
5
3.1 3.3 3.93 4.5 5.8 15.8 21.7 27.8 38.8 74
15
3.2 3.4 4 4.6 5.9 16.0 21.8 28.0 40.0 75
15.5
3.2 3.5 4.1 4.7 6.0 16.1 21.9 28.2 40.2 75
16
3.3 3.52 4.2 4.8 6.1 16.2 22.1 28.4 40.4 76
16.5
3.3 3.58 4.3 4.9 6.2 16.2 22.2 28.5 40.6 76
17
3.38 3.64 4.3 4.97 6.4 16.5 22.3 28.9 40.8 77
17.5
870 1
0
7
0
1
1
7
5
1
4
3
0
5
4
0
6
7
0
7
5
5
8
3
0
3
0
0
0
3
0
0
0
3
5
0
0
3
5
0
0
3.14 4.7 5.14 5.5 7.5 17.4 24.8 31.0 42.3 80
19.5
1
1
1
0
1
2
0
0
1
4
7
5
5
8
0
7
9
5
8
3
0
8
8
5
4.2 5.58 5.8 6.7 8.2 18.4 26.8 32.4 45.0 82
 

产品结构图:

 

LD型电动单梁起重机结构图

【订货须知】(因起重机大部分为非标产品,订货前需预先了解如下内容):
1.订货前应确定起重机主要参数:起重量、跨度、起升高度、工作制度、轨道型号、承轨梁到屋顶最低点的距离和
 
操纵室型式与开门方向等。
2. 当露天使用时,需带防雨设施。
3. 网站所标为标准件产品,仅供参考,具体由客户所提供的参数确定,完全可按客户需求定制。
询价单
0条  相关评论